Neue Schaltung für Tomix -Weichen
- Dr. Yellow
- Beiträge: 1347
- Registriert: Do Jun 21, 2007 6:05 pm
Neue Schaltung für Tomix -Weichen
Hallo,
im 1zu160 Forum hat sich Günter König Gedanken gemacht, die Tomixweichen mittels eines selbstgebauten Schaltkreises ohne Verwendung der üblichen Tomixschalter zu schalten. Auch können Lichtschranken oder Reedkontakte (SRK) zum Ansteuern durch fahrende Züge verwendet werden.
Wie ich find eine tolle Sache - vielleicht auch für unsere Module zu verwenden.
Vielleicht tragt Ihr Euch mit ein.
http://www.1zu160.net/scripte/forum/for ... 6424#unten
Gruß Detlef
im 1zu160 Forum hat sich Günter König Gedanken gemacht, die Tomixweichen mittels eines selbstgebauten Schaltkreises ohne Verwendung der üblichen Tomixschalter zu schalten. Auch können Lichtschranken oder Reedkontakte (SRK) zum Ansteuern durch fahrende Züge verwendet werden.
Wie ich find eine tolle Sache - vielleicht auch für unsere Module zu verwenden.
Vielleicht tragt Ihr Euch mit ein.
http://www.1zu160.net/scripte/forum/for ... 6424#unten
Gruß Detlef
Schwertwunden sind heilbar, Wortwunden nicht.
(Japanisches Sprichwort)
(Japanisches Sprichwort)
- Dr. Yellow
- Beiträge: 1347
- Registriert: Do Jun 21, 2007 6:05 pm
Re: Neue Schaltung für Tomix -Weichen
So, hier ist die fertige Schaltung von Günter König zu finden
http://www.1zu160.net/elektrik/kato-wei ... uerung.php
Dieser Baustein vereinfacht die Übersicht der zu stellenden Weichen, da man die Schalter in ein Gleisbildstellpult integrieren kann. Bei den nebeneinander gesteckten Schaltern von Tomix kommt man fix mal durcheinander.
Zudem bietet der Baustein wie schon oben beschrieben eine Ansteuerung durch Gleiskontakte, SRK und Lichtschranke an.
Was meint ihr? Ich bin sehr an fertigen Platinen interessiert.
Gruß Detlef
http://www.1zu160.net/elektrik/kato-wei ... uerung.php
Dieser Baustein vereinfacht die Übersicht der zu stellenden Weichen, da man die Schalter in ein Gleisbildstellpult integrieren kann. Bei den nebeneinander gesteckten Schaltern von Tomix kommt man fix mal durcheinander.
Zudem bietet der Baustein wie schon oben beschrieben eine Ansteuerung durch Gleiskontakte, SRK und Lichtschranke an.
Was meint ihr? Ich bin sehr an fertigen Platinen interessiert.
Gruß Detlef
Schwertwunden sind heilbar, Wortwunden nicht.
(Japanisches Sprichwort)
(Japanisches Sprichwort)
Re: Neue Schaltung für Tomix -Weichen
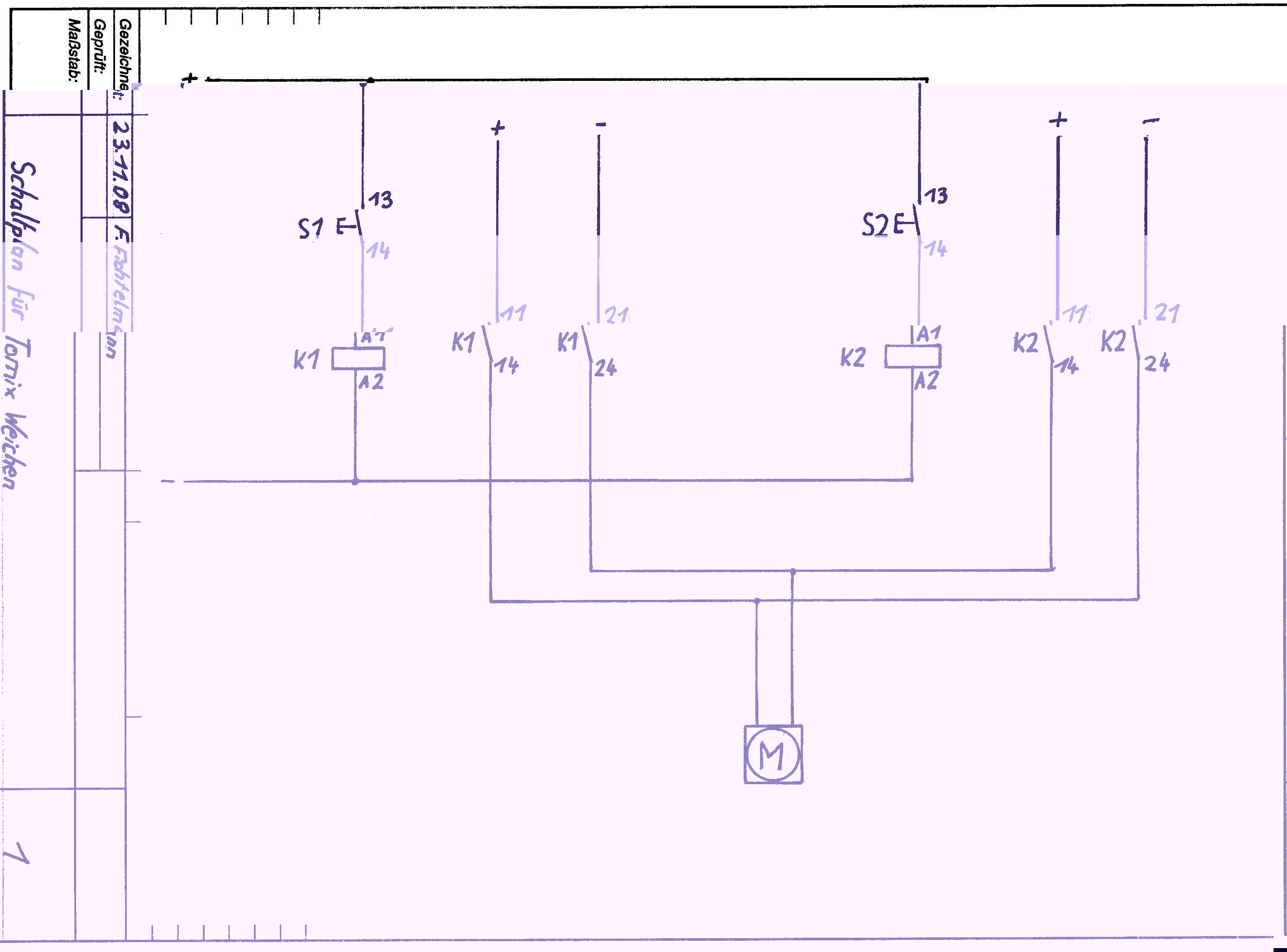
Ich bin auch gerade bei dem Problem der Topmixweichen, da ich meine auch nicht mit den Tomix Weichenschaltern schalten möchte.
Die Schaltung von Günter König ist zwar genial, aber für mein Dafürhalten für eine Umpolungsschaltung doch recht kompliziert (also ich sehe bei dem Schaltplan nicht so recht durch
).
Deshlab im Anhang mal ein Schaltplan von mir. Für die Schaltung einer Weiche bräuchte man nur zwei monostabile Relais mit zwei Schließern oder Wechslern.
Wenn man dann noch eine Rückmeldung für die Weiche haben will brauch man den Schaltplan nur um ein weiteres Relais mit einem Wechsler und den LED`s erweitern (ich kann diesen Plan dann auch noch zeichnen und einstellen).
Alles im allen simpel und sicher.
Mir fällt grad auf das ich die Sperrdioden und eventuelle Widerstände zur Gleichrichtung des Stromes vergessen habe.
Also was meint ihr?
mfg Felix
Die Schaltung von Günter König ist zwar genial, aber für mein Dafürhalten für eine Umpolungsschaltung doch recht kompliziert (also ich sehe bei dem Schaltplan nicht so recht durch
Deshlab im Anhang mal ein Schaltplan von mir. Für die Schaltung einer Weiche bräuchte man nur zwei monostabile Relais mit zwei Schließern oder Wechslern.
Wenn man dann noch eine Rückmeldung für die Weiche haben will brauch man den Schaltplan nur um ein weiteres Relais mit einem Wechsler und den LED`s erweitern (ich kann diesen Plan dann auch noch zeichnen und einstellen).
Alles im allen simpel und sicher.
Mir fällt grad auf das ich die Sperrdioden und eventuelle Widerstände zur Gleichrichtung des Stromes vergessen habe.
Also was meint ihr?
mfg Felix
Oigawa Tetsudo und ein klein wenig quer durch den Gemüsegarten der Dampfloks
FALCO rides again! http://www.officialfalco.com
FALCO rides again! http://www.officialfalco.com
Re: Neue Schaltung für Tomix -Weichen
Bei deiner Schaltung kannst du die Relais auch ganz Weglassen. Die Schaltung auf 1z160 sorgt dafür das der Strom nicht dauern an der Weiche anliegt. Bei Verwendung eines zweipoligen Tasters erreichst du dasselbe. Du darfst einfach den Taster nicht Stundenlang drücken, dies gilt auch für deine Relaisschaltung. Auch must dafür gesorgt werden das nicht beide Taster gleichzeitig gedrückt werden da sonst ein Kurzschluss entsteht, wie bei de Relaisschaltung auch. Du brauchst einfach einen zweipoligen Umschalter (DPDT) mit Momentkontakt. Da hast du deine ganze Schaltung in einem Taster.
Gruss,
Railzilla
Gruss,
Railzilla
Re: Neue Schaltung für Tomix -Weichen
@ railzilla
Ja sicher gänge das auch mit zweipoligen Tastern, aber diese sind in der Regel relativ teuer und ein Relais kostet ja nicht einmal 1€.
Und als Sicherung, das man nicht beide Taster gleichzeitig Strom auf den Antrieb geben, kann man ja jeweils einen Öffner vor oder hinter den Taster vom anderen Relais legen, so kann es zu keinenm Kurschluss kommen.
mfg
Ja sicher gänge das auch mit zweipoligen Tastern, aber diese sind in der Regel relativ teuer und ein Relais kostet ja nicht einmal 1€.
Und als Sicherung, das man nicht beide Taster gleichzeitig Strom auf den Antrieb geben, kann man ja jeweils einen Öffner vor oder hinter den Taster vom anderen Relais legen, so kann es zu keinenm Kurschluss kommen.
mfg
Oigawa Tetsudo und ein klein wenig quer durch den Gemüsegarten der Dampfloks
FALCO rides again! http://www.officialfalco.com
FALCO rides again! http://www.officialfalco.com
Re: Neue Schaltung für Tomix -Weichen
Ahoi hoi!
Ich hoffe die Nachricht hier liest noch jemand nach so langer Unterbrechung in diesem Thema. Da ich recht bescheidene Kenntnisse im Bereich Elektrotechnik hab, würd ich gern wissen, welchen Taster oder Schalter (wäre mir lieber) ich benötige um dem Bau von Platinen o. ä. zu umgehen. Mit den Begriffen DPDT und Momentaster hab ich bei Reichelt oder Corad nnich wirklich das passende gefunden. Vielleicht habt ihr ein paar passende Artikelnummern oder Internetseiten. Da geb ich lieber ein paar Euro aus, als mich auch noch im Löten und Elektrotechnik (verbunden mit viel Lehrgeld) zu üben. Vielen Dank für die Antworten.
Mfg
IKA 
Ich hoffe die Nachricht hier liest noch jemand nach so langer Unterbrechung in diesem Thema. Da ich recht bescheidene Kenntnisse im Bereich Elektrotechnik hab, würd ich gern wissen, welchen Taster oder Schalter (wäre mir lieber) ich benötige um dem Bau von Platinen o. ä. zu umgehen. Mit den Begriffen DPDT und Momentaster hab ich bei Reichelt oder Corad nnich wirklich das passende gefunden. Vielleicht habt ihr ein paar passende Artikelnummern oder Internetseiten. Da geb ich lieber ein paar Euro aus, als mich auch noch im Löten und Elektrotechnik (verbunden mit viel Lehrgeld) zu üben. Vielen Dank für die Antworten.
Mfg
Re: Neue Schaltung für Tomix -Weichen
Hallo Ika,
Da Ding heisst in deutsch zweipoliger Umschalter, wichtig ist die Ausführung in Tastfunktion da mit Dauerstrom die Weichenspulen zu heiss werden können. Oft wird die Funktion als Tast/Aus/Tast beschrieben.
Hier ein Beispiel von Conrad:
http://www.conrad.de/goto.php?artikel=700391
Der macht das selbe was die Tomix und Kato schalter auch machen.
Da Ding heisst in deutsch zweipoliger Umschalter, wichtig ist die Ausführung in Tastfunktion da mit Dauerstrom die Weichenspulen zu heiss werden können. Oft wird die Funktion als Tast/Aus/Tast beschrieben.
Hier ein Beispiel von Conrad:
http://www.conrad.de/goto.php?artikel=700391
Der macht das selbe was die Tomix und Kato schalter auch machen.
Re: Neue Schaltung für Tomix -Weichen
Ich werf das mal hier mit rein:
von Cosmic gibts jetzt eine alternative zu den Weichenschaltern von Tomix, wer die ggf. in die Anlage intigrieren will (z.b. an der Vorderseite bei einem Industrianschluss etc.) kann hier fertige Elemente bekommen: http://www.1999.co.jp/eng/10115373
Ist eine gute alternative für die die keine Weichenschalter haben wollen und mit Löten und Bauteilen wenig anfangen können (gibts so einige).
von Cosmic gibts jetzt eine alternative zu den Weichenschaltern von Tomix, wer die ggf. in die Anlage intigrieren will (z.b. an der Vorderseite bei einem Industrianschluss etc.) kann hier fertige Elemente bekommen: http://www.1999.co.jp/eng/10115373
Ist eine gute alternative für die die keine Weichenschalter haben wollen und mit Löten und Bauteilen wenig anfangen können (gibts so einige).
Grüße
Patrick
Patrick
Re: Neue Schaltung für Tomix -Weichen
Hi Felix,
könntest Du in Dein Schaltplan mal bitte noch einzeichnen was fehlt um eine Rückmeldung zu bekommen?
Wo gibts die Bauteile? Konrad?
Danke
könntest Du in Dein Schaltplan mal bitte noch einzeichnen was fehlt um eine Rückmeldung zu bekommen?
Wo gibts die Bauteile? Konrad?
Danke
Re: Neue Schaltung für Tomix -Weichen
Hallo zusammen,
Hole diesen Threat wieder hervor als Tomix-Neuling und mal eine Verständnisfrage hierzu.
#railzilla
Dein erwähnter zweipoliger Umschalter wäre dieser hier,
https://www.conrad.de/de/p/apem-5547a-5 ... 00391.html
korrekt?
Beispiel anhand einer einfachen Weiche, mit eingebauter Weichenspule. Von dieser Weichenspule gehen zwei Drähte ab, mit einem Stecker welcher grundsätzlich in die Tomiy-Weichenschaltbox gesteckt wird. Nachdem dies ja umgangen werden soll mittels zweipoligem Umschalter. werden die beiden Drähte mit diesem verbunden. Woher kommt der erforderliche 12V Strom zum Umschalter? Einfachen Trafo?
Und die Grundstellung des Schalters wäre dann mittig, also "AUS"?
Mit "EIN_L" wird die Weiche links und mit "EIN_R" die Weiche nach rechts gestellt?
Nachdem der Schaltimpuls kurz gehalten werden soll, stellt sich von EIN dieser automatisch wieder selbst auf AUS?
Bei DKW's wären dann zwei Umschalter notwendig?
Sorry blick da iM nicht ganz durch.
#Patrick
ich folgte deinem Hinweis - https://www.1999.co.jp/eng/10115373
Erfahrungen hat schon jemand damit gemacht?
Auch DKW tauglich?
Ich suche eine gute und auch funktionierende Alternative für die Tomix-Weichenschalter, da ich diese nicht digital schalten werde. Jedenfalls ein Preisunterschied der zu überdenken ist bei den beiden Produkten.
Danke im Voraus für Unterstützung.
Gruß Chris
Hole diesen Threat wieder hervor als Tomix-Neuling und mal eine Verständnisfrage hierzu.
#railzilla
Dein erwähnter zweipoliger Umschalter wäre dieser hier,
https://www.conrad.de/de/p/apem-5547a-5 ... 00391.html
korrekt?
Beispiel anhand einer einfachen Weiche, mit eingebauter Weichenspule. Von dieser Weichenspule gehen zwei Drähte ab, mit einem Stecker welcher grundsätzlich in die Tomiy-Weichenschaltbox gesteckt wird. Nachdem dies ja umgangen werden soll mittels zweipoligem Umschalter. werden die beiden Drähte mit diesem verbunden. Woher kommt der erforderliche 12V Strom zum Umschalter? Einfachen Trafo?
Und die Grundstellung des Schalters wäre dann mittig, also "AUS"?
Mit "EIN_L" wird die Weiche links und mit "EIN_R" die Weiche nach rechts gestellt?
Nachdem der Schaltimpuls kurz gehalten werden soll, stellt sich von EIN dieser automatisch wieder selbst auf AUS?
Bei DKW's wären dann zwei Umschalter notwendig?
Sorry blick da iM nicht ganz durch.
#Patrick
ich folgte deinem Hinweis - https://www.1999.co.jp/eng/10115373
Erfahrungen hat schon jemand damit gemacht?
Auch DKW tauglich?
Ich suche eine gute und auch funktionierende Alternative für die Tomix-Weichenschalter, da ich diese nicht digital schalten werde. Jedenfalls ein Preisunterschied der zu überdenken ist bei den beiden Produkten.
Danke im Voraus für Unterstützung.
Gruß Chris